Ученые обнаружили корреляцию между тяжелыми металлами и развитием СДВГ у детей
Новое исследование подтвердило взаимосвязь между воздействием тяжелых металлов и развитием СДВГ у детей. Ученые из Университета Ровира-и-Вирхили (Испания) проанализировали влияние 15 различных металлов на детский организм, обнаружив, что повышенные концентрации свинца, меди, кадмия и сурьмы в моче коррелируют с наличием и тяжестью симптомов СДВГ. Анализ показал, что у детей с высоким содержанием в организме перечисленных...
Все о новинках и ужесточениях для водителей. Коротко о важном
Autonews перечислил новые штрафы для российский водителей Какие подержанные машины россияне стали покупать чаще, насколько увеличатся штрафы и что будет с рынком и ценами после установления лимита на автокредиты ...
В Татарстане создадут особую экономическую зону промышленного типа
В Заинском районе Татарстана создадут особую экономическую зону промышленного типа «Зелёная долина».Об этом сообщает ГТРК «Татарстан» со ссылкой на Telegram-канал «Правительство России».На объекте запланировано возвести предприятия по производству льняного волокна, сорбентов, биоудобрений, хелатов биогенных материалов и переработке лубяных культур.Ожидается, что объём инвестиций в создание особой экономической зоны превысит 15 млрд рублей.Ранее 360.ru сообщал, что более 700 рабочих мест создали в особых...
Американская диета вызывает необратимое повреждение поджелудочной железы
Исследователи из шведского Каролинского института обнаружили опасное последствие западной или американской диеты. В ее основе лежит употребление большого количества жирной и сладкой пищи. Это не столько диета в прямом понимании, сколько привычка к определенному питанию, и она оказалась весьма опасной, так как необратимо повреждает поджелудочную железу. Существует опасное заблуждение о том, что если набрать лишний...
5 уникальных «фишек» Lada Azimut, о которых вы даже не мечтали
Autonews перечислил пять уникальных функций кроссовера Lada Azimut АвтоВАЗ анонсировал появление современных опций в представленном на ПМЭФ-2025 кроссовере Lada Azimut. Autonews.ru перечислил, чем удивит предсерийный экземпляр будущих покупателей ...
Ефимов: Москва выставит на торги 700 нежилых объектов недвижимости до конца года
Москва передаст на открытые аукционы около 700 коммерческих помещений и зданий, расположенных в различных округах, до конца 2025 года, рассказал заместитель мэра столицы по вопросам градостроительной политики и строительства Владимир Ефимов.«Город системно вовлекает имущество в экономический оборот», — заявил Ефимов.По его словам, речь идёт в том числе об исторических памятниках и нежилых помещениях. Как отметил Ефимов, в приобретённом имуществе...
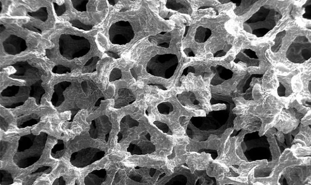
В Казани применили 4D-томографию для оценки пористых материалов
В Казанском федеральном университете приступили к применению экспериментальной 4D-рентгеновской компьютерной томографии в целях максимально точного анализа свойств изделий из пористых материалов, которые напечатаны с послойным наплавлением. Ожидается, что методика найдет применение в промышленном и медицинском направлениях. Как уточняется, разработка специалистов КФУ позволит проводить более точную оценку свойств пористости, а оснастка для 4D-томографии, разработанная в ВУЗе,...
Rexton 10 лет спустя. Тест-драйв нового корейского внедорожника KGM
Autonews назвал плюсы и минусы нового рамного корейского внедорожника KGM Rexton Флагманский внедорожник Rexton вернулся в Россию спустя 10 лет и под новым брендом. Autonews.ru испытал новинку и готов поделиться впечатлениями ...
Ефимов: начата подготовка к строительству БЦ у «Полежаевской» по программе КРТ
В районе Хорошёвский Северного административного округа начались подготовительные работы для строительства бизнес-центра по проекту комплексного развития территорий (КРТ), сообщил заммэра Москвы по вопросам градостроительной политики и строительства Владимир Ефимов.«На участке КРТ общей площадью 1,6 га, расположенном в бывшей промзоне «Магистральные улицы», инвестор приступил к подготовительным работам по возведению бизнес-центра. По проекту КРТ здесь будет создано современное общественно-деловое пространство», —...
Странный конический череп из древнего захоронения озадачил ученых
В захоронении Чега Софла на территории современного Ирана найдены необычные останки – череп молодой девушки с конической формой. Возраст находки составляет примерно 6200 лет, и в те времена подобные модификации тела действительно практиковались в разных культурах. Интрига в том, что в данном случае она могла стать либо прямой, либо косвенной причиной гибели несчастной. ...












































